Большой опыт
АКВА-МАСТЕР
ОБОРУДОВАНИЕ ДЛЯ ЗАГОРОДНОГО ПРОЖИВАНИЯ
Справедливые цены
Гарантийный сервис
Монтаж за 1 день
АКЦИИ И СКИДКИ
СТАНЦИЯ ТОПОЛЬ
ТОПОЛЬ - УСТАНОВКА ОЧИСТКИ СТОЧНЫХ ВОД (УОСВ) ДЛЯ ЗАГОРОДНОГО ДОМА, ДАЧИ, КОТТЕДЖА, ПОДХОДИТ ДЛЯ СЕЗОННОГО и ПОСТОЯННОГО ПРОЖИВАНИЯ (ОДИН КОМПРЕССОР)
Тихая аэрация, без запахов; очищенную воду можно отводить в дренаж или на рельеф. Подберём комплектацию (самотёк/принудительный сброс), организуем доставку, монтаж за 1 день, пусконаладку и сервис. Доступны шефмонтаж, гарантия и регулярное ТО.
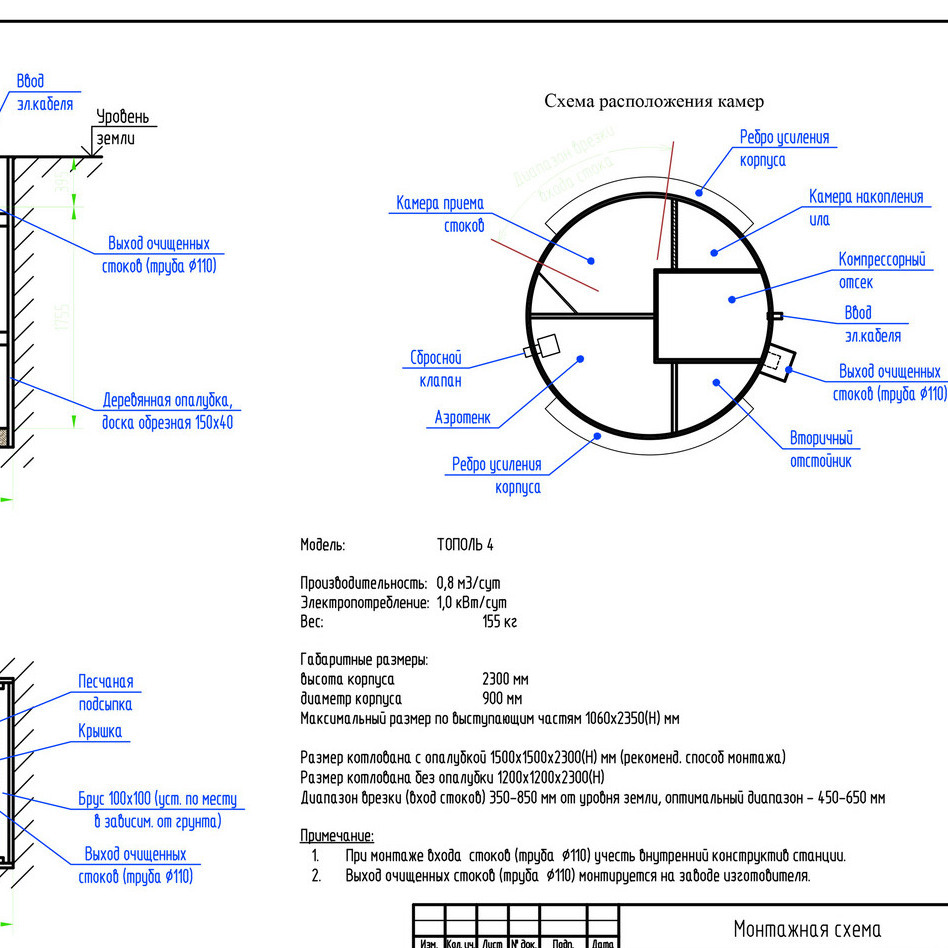
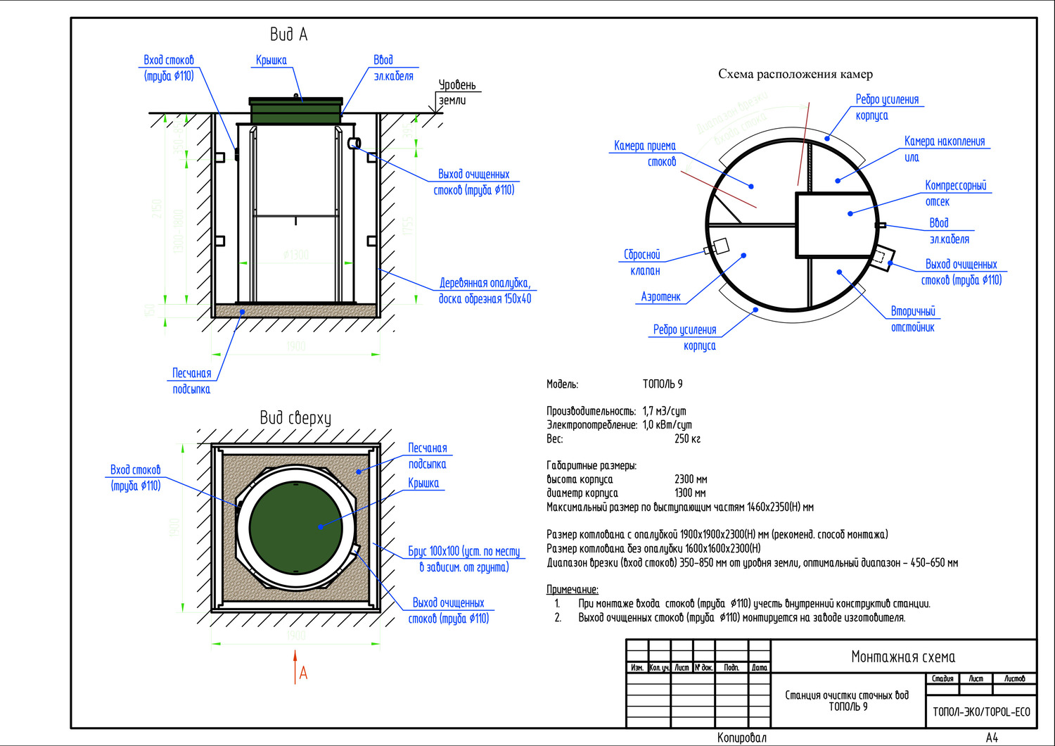
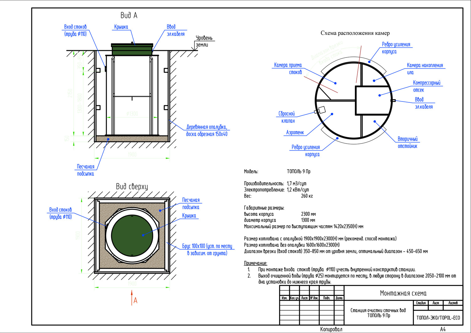
Установка очистки сточных вод «ТОПОЛЬ» представляет собой высокоэффективное решение для организации автономной канализации в условиях загородного дома.
В основе функционирования данной установки заложен комбинированный подход, объединяющий принципы биологической и механической фильтрации сточных вод. Результатом применения указанной технологии является получение очищенной жидкости, характеризующейся визуальной прозрачностью и отсутствием выраженных запахов.
Конструктивной особенностью станции является наличие единственного компрессора, обеспечивающего функционирование всех этапов очистки.
Переключение между различными режимами работы станции осуществляется посредством распределительного клапана, который направляет воздушный поток в требуемом направлении. Это позволяет оптимизировать энергопотребление и упростить конструкцию оборудования.
Пр– установка со встроенным насосом принудительного отвода очищенного стока. Применяется для участков с высоким уровнем грунтовых вод.
Лонг/Long– установка с удлиненной горловиной (имеет врезной диапазон больше, чем стандартные станции).
Применяется, когда канализационная труба, выходящая из здания, залегает на глубине свыше 85 см от поверхности грунта.

Автономная станция ТОПОЛЬ 4
Производительность0.8 м³/сутки
Количество пользователей≈4 чел.
Объём залпового сброса 160 л.
Вес 155 кг.
Габариты90*230*90 см.
127200
руб.
Подробнее
Купить

НАвтономная станция ТОПОЛЬ 6
Производительность1.1 м³/сутки
Количество пользователей≈6 чел.
Объём залпового сброса 230 л.
Вес 185 кг.
Габариты110*230*110 см.
159600
руб.
Подробнее
Купить

Автономная станция ТОПОЛЬ 9
Производительность1.5 м³/сутки
Количество пользователей≈9 чел.
Объём залпового сброса 450 л.
Вес 250 кг.
абариты130*230*130 см.
183900
руб.
Подробнее
Купить
| Модель | Количество условных пользователей | Залповый сброс*,л | Производительность, м3/сут | Потребляемая мощность, кВт/сут | Цена |
| Автономная станция ТОПОЛЬ 4 | 4 | 160 | 0.8 м3/сут | - | 127 200 р. |
| Автономная станция ТОПОЛЬ 4 Пр | 4 | 160 | 0.8 м3/сут | - | 138 800 р. |
| Автономная станция ТОПОЛЬ 4 Long | 4 | 160 | 0.8 м3/сут | - | 146 000 р. |
| Автономная станция ТОПОЛЬ 4 Пр Long | 4 | 160 | 0.8 м3/сут | - | 164 400 р. |
| Автономная станция ТОПОЛЬ 6 | 6 | 230 | 1.1 м3/сут | - | 159 600 р. |
| Автономная станция ТОПОЛЬ 6 Пр | 6 | 230 | 1.1 м3/сут | - | 172 000 р. |
| Автономная станция ТОПОЛЬ 6 Long | 6 | 230 | 1.1 м3/сут | - | 182 600 р. |
| Автономная станция ТОПОЛЬ 6 Пр Long Пр | 6 | 230 | 1.1 м3/сут | - | 197 600 р. |
| Автономная станция ТОПОЛЬ 9 | 9 | 450 | 1.5 м3/сут | - | 183 900 р. |
| Автономная станция ТОПОЛЬ 9 Пр | 9 | 450 | 1.5 м3/сут | - | 197 100 р. |
| Автономная станция ТОПОЛЬ 9 Long | 9 | 450 | 1.5 м3/сут | - | 214 500 р. |
| Автономная станция ТОПОЛЬ 9 Пр Long | 9 | 450 | 1.5 м3/сут | - | 231 900 р. |
| Автономная станция ТОПОЛЬ 12 | 12 | 790 | 2.1 м3/сут | - | 253 800 р. |
| Автономная станция ТОПОЛЬ 12 Пр | 12 | 790 | 2.1 м3/сут | - | 267 700 р. |
| Автономная станция ТОПОЛЬ 12 Long | 12 | 790 | 2.1 м3/сут | - | 288 400 р. |
| Автономная станция ТОПОЛЬ 12 Пр Long | 12 | 790 | 2.1 м3/сут | - | 301 800 р. |
Лонг - имеет удлиненную горловину, Пр - имеет встроеный насос, Ус - усиленная (используется для последующего наращивания УОСВ)
Контактная информация
- Тюменская область, Тюменский р-он, п. Боровский, ул. Герцена, 52, 3 этаж
- +7 (991) 909-65-80
- septic.72@mail.ru
- Отдел сервисного и гарантийного обслуживания, п. Боровский, Герцена, 52
- +7 (932) 485-95-57
- neon.tyumen@mail.ru
Корзина пуста
0
шт.
/
0 руб.
Оформить
Очистить














